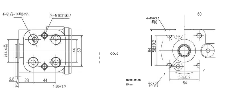
101(S)-5(T)(TE)(L)(E)(TX) Series Hydraulic Steering Control Units (SCU)
Description :
- 101S-5, 101S-5L, 101S-5E: Plate connection mode with PVF* priority valve, enhancing control efficiency.
- 101S-5L: Extracts LS pressure signal from LL interface for electrical control system integration.
- 101S-5E: Draws pressure signal from L or R oil ports via EL interface for electrical control.
- 101S-5T, 101S-5TE: Tube connection mode, compatible with PVL*, DYXL, or YXL priority valves.
- 101S-5TE: Elicits L or R oil pressure signal from EL interface for electrical control.
- 101-5T: Tubular connection requiring DYXL or YXL priority valves, with system safety valve on the priority valve.
- 101-5TX: Connects left and right cavities to oil return in neutral, ideal for use with LFA or LFB flow amplification valves.








