101S-1x 2、3、4 Series Hydraulic Steering Control Units (SCU)
10 Series Full Hydraulic Steering Body Summary
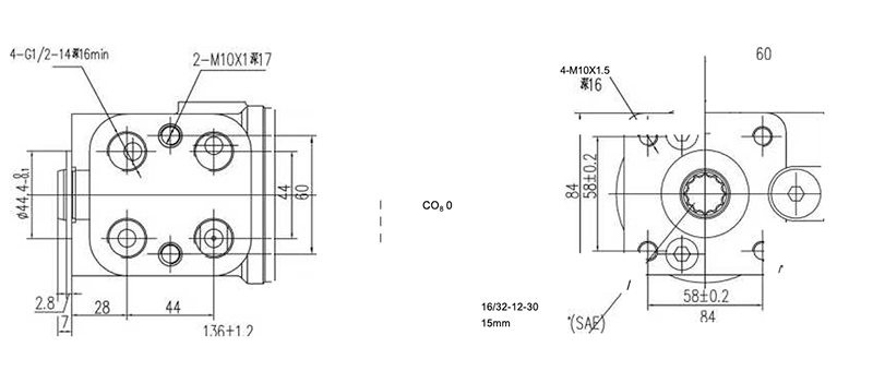
The 10 series full hydraulic steering body is an integrated structure with an optional cartridge valve, including a system pressure control valve.
Widely used in industrial, agricultural, and ship steering systems, it reduces input force, enhances control, and ensures safe, flexible operation.
Features an integrated check valve to prevent reverse oil flow and a pressure control valve for work pressure buffering.
Meets international standards with 6/7 and 4/5 tooth structure options (101, 102, 103 series based on connection size).
Includes inlet check valves, with “O” indicating no integrated pressure valve and “S” indicating one.
Open-core non-reactive models feature safety and buffer valves (code 1) or just safety valve (code 4).









