The KYDAC P40 Series Multi-way Directional Valve is a high-performance, compact, monoblock hydraulic control valve stack. Engineered specifically for the hydraulic systems of small to medium-sized mobile machinery, this product features a high-strength cast iron body and an advanced integrated monoblock design. Its core function is to consolidate multiple independent directional and flow control units into a single robust and compact module, enabling centralized, precise, and reliable control over multiple equipment actuators (such as cylinders and hydraulic motors).
Designed for compactness and easy installation, this valve significantly simplifies complex hydraulic piping layouts and reduces potential leakage points. It is an ideal solution for optimizing equipment footprint, enhancing system reliability, and improving maintenance convenience. It is widely suitable for demanding mobile operating environments.
Core Advantages & Features
Integrated Design, Compact & Reliable: Utilizing a monoblock structure, it integrates up to 7 working units (sections) into a single body. This design greatly saves installation space and simplifies external piping connections. It results not only in a clean appearance but also effectively increases the structural rigidity and sealing reliability of the entire hydraulic system, reducing vibration and leakage risks associated with multi-valve connections.
Outstanding Performance:
High-Pressure Capability: A maximum working pressure of 250 bar ensures powerful and stable operation during heavy-duty tasks.
Efficient Flow: A nominal flow rate of 40 L/min balances actuator response speed with control precision, meeting the demands of efficient operation.
Broad Environmental Adaptability: Features an extremely wide operating ambient temperature range (-40℃ to 80℃) and fluid viscosity tolerance (12 to 400 cSt). This allows it to maintain stable and reliable performance across various climates—from extreme cold to intense heat—and during different operational phases from cold starts to full load, enabling true global applicability.
Flexible Modular Configuration: Can be flexibly configured by selecting from 1 to 7 valve sections with different functions according to the actual needs of the host equipment. This “customize-as-needed” modular philosophy allows equipment manufacturers to achieve optimal functional configuration and cost control, while providing convenience for future functional upgrades.
Robust & Easy Maintenance: The valve body is made of high-quality cast iron, offering a sturdy structure with strong resistance to shock and contamination. The integrated design makes daily inspection and maintenance more centralized and straightforward, helping to reduce the equipment’s total lifecycle maintenance costs.
Typical Application Fields
This valve series serves as the core control component for hydraulic systems in the following types of equipment:
Material Handling Equipment: Control of lifting, tilting, steering, and attachments for various forklifts.
Municipal & Sanitation Equipment: Control of working devices (brushes, compactors, water valves) for sweepers, garbage trucks, sprinklers, etc.
Small Construction Machinery: Control of boom, bucket, and other functions for small wheel loaders, skid-steer loaders, and backhoe loaders.
Agricultural & Special Vehicles: Tractor hydraulic output systems, aerial work platforms, and other mobile machinery requiring compact multi-way hydraulic control.
Conclusion
The KYDAC P40 Series Multi-way Directional Valve combines high-strength construction, excellent hydraulic performance, ultra-wide environmental adaptability, and flexible modular configuration. It perfectly meets the core requirements of modern small to medium-sized mobile machinery for hydraulic control systems that are compact, highly reliable, and easy to maintain. Choosing the P40 Series means selecting a proven, integrated control solution for your equipment, providing a solid foundation for superior performance and long-term, stable operation.
We offer comprehensive technical selection support and customization services. For more detailed information or to obtain technical documentation, please feel free to contact us at any time.
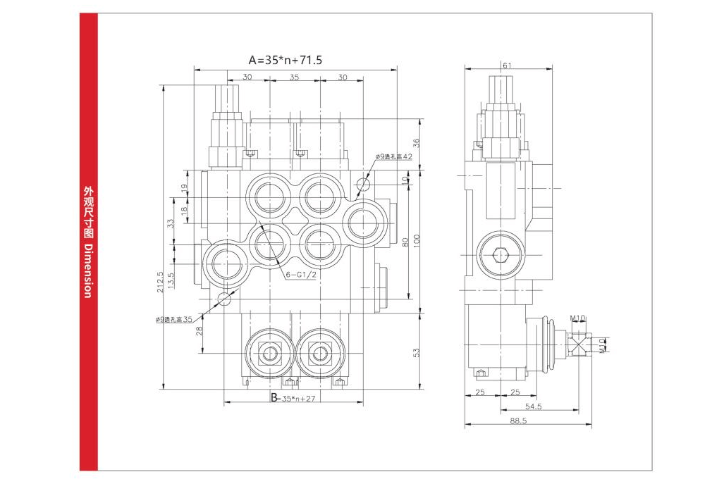
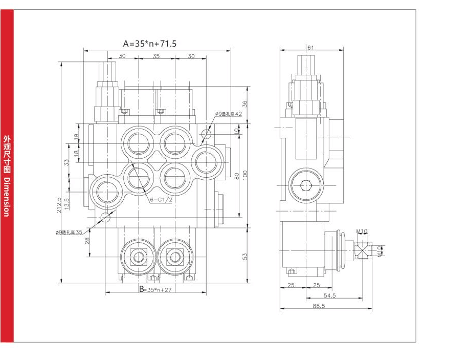
Detailed Technical Specifications
