The KYDAC DCV20 Series is an ultra-high-pressure, compact monoblock multi-way directional valve. Constructed with a robust one-piece cast iron body, it is specifically engineered for demanding applications that require extremely high working pressure alongside moderate flow rates. Its core strength lies in its ability to reliably withstand system pressures up to 350 bar while delivering a precisely controlled flow of 20 L/min. This ensures accurate, dependable, and centralized control over multiple actuators (such as hydraulic cylinders) in high-pressure environments. As the “command center” of a hydraulic system, the DCV20, with its exceptional pressure resistance and compact six-section integrated design, serves as the ideal hydraulic control solution for specialized equipment in construction, sanitation, drilling, and similar fields. It is particularly suited for applications where space is limited and pressure requirements are stringent.
Key Highlights
Ultra-High-Pressure Design: Maximum working pressure up to 350 bar, providing industry-leading pressure-bearing capacity to ensure stable power and system safety under extreme loads.
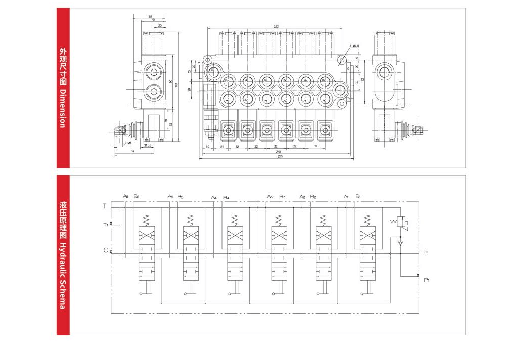
Compact Integration: Standard configuration integrates 6 independent control sections into a single monoblock, offering a space-saving design that minimizes external piping connections and potential leak points.
Precise Flow Control: A nominal flow rate of 20 L/min balances system responsiveness with control accuracy, making it suitable for medium-flow hydraulic systems requiring fine operation.
Broad Environmental Adaptability: Operating temperature range from -40℃ to 80℃, with a wide fluid viscosity tolerance (12-400 cSt), capable of performing in various extreme global climates and complex working conditions.
Rugged & Durable: High-strength cast iron body offers excellent resistance to shock, vibration, and contamination, ensuring long service life and low maintenance requirements.
Features & Advantages
Exceptional High-Pressure Stability
Optimized for ultra-high-pressure systems up to 350 bar, with reinforced internal flow paths and spools. Effectively minimizes internal leakage and pressure fluctuations under high pressure, delivering sustained, powerful, and stable hydraulic power to the equipment. It is a critical component for high-pressure operations like heavy-duty drilling, compaction, and breaking.
High-Density Integration, System Simplification
Integrates six independent directional functions into one unit, providing a compact and efficient “all-in-one” control solution. This design significantly simplifies the complex piping layouts required for traditional multi-valve setups, reducing potential failure points and installation time, while enhancing the overall reliability and neatness of the hydraulic system.
Accurate & Reliable Control Performance
While guaranteeing high-pressure capability, the 20 L/min flow design provides precisely matched fluid supply. This enables actuator movements that combine adequate force with smooth, precise speed control. It is especially suitable for applications requiring fine operation, such as construction machinery outrigger leveling, precise movements in sanitation equipment, and drill feed control.
Tailored for Professional Fields
The performance parameters of the DCV20 Series precisely match the needs of specific industries:
Construction Machinery: Suitable for multi-circuit, high-pressure control points on small excavators, aerial work platforms, concrete pump truck outriggers, etc.
Sanitation Machinery: Meets the demand for multi-circuit, high-pressure control of actuators like compaction mechanisms and cleaning spray arms in garbage compactors and high-pressure cleaning trucks.
Drilling Machinery: Provides reliable multi-circuit, high-pressure control for feed systems, clamps, rotation motors, etc., on geological and engineering drills.
Application Scenarios (Conceptual Description)
(Placeholder for application scenario images or descriptions)
Scenario 1: Small Excavator – The DCV20 valve bank is integrated within the machine body, providing precise control for compound movements of the boom, arm, bucket, swing, and two outriggers.
Scenario 2: Garbage Compactor Truck – Serves as the core control unit, simultaneously operating multiple high-pressure cylinders for compaction, rear door opening/closing, and lifting for discharge.
Scenario 3: Engineering Drill Rig – Integrated into the hydraulic power unit, reliably controlling high-pressure functions like drill rod feed/lift, power head rotation, and clamp open/close.
Quality & Service Commitment
About KYDAC:
KYDAC specializes in hydraulic control technology and operates a comprehensive quality management system. Every DCV20 Series product undergoes multiple precision machining processes and rigorous performance testing (including high-pressure endurance tests) from raw materials to finished goods, ensuring each valve meets design specifications and your expectations.
Our Commitment:
To supply reliable products that conform to technical specifications.
To provide professional technical selection support and after-sales consulting services.
To ensure stable supply lead times.
Why Choose KYDAC DCV20?
If you are looking for a professional multi-way control valve that can operate stably in ultra-high-pressure environments, features high integration to save space, and is suitable for construction, sanitation, or drilling machinery, the KYDAC DCV20 Series is your ideal choice. It combines high-pressure reliability, compact design, and precise control into one unit, making it a key component for enhancing the performance and dependability of your equipment’s hydraulic system.
Contact us now for detailed technical documentation and a quote!
Technical Specifications
