The KYDAC DCV40 Series is a professional-grade monoblock multi-way directional valve that combines ultra-high working pressure with robust flow performance. Constructed with a high-rigidity, one-piece cast iron body, this product perfectly integrates an extreme working pressure of 350 bar with a rated flow of 40 L/min. It is designed to deliver powerful, precise, and highly reliable integrated hydraulic control for demanding applications in fields such as construction machinery, sanitation equipment, and drilling machinery.
The DCV40 not only retains the core advantages of compact structure and minimal leakage risk inherent in monoblock valve stacks but also offers unprecedented design freedom with its flexible configuration of 1 to 8 working sections. It is the superior choice for complex hydraulic systems facing the dual challenges of high-pressure, heavy loads, and the coordinated operation of multiple actuators.
Key Highlights
Extreme Pressure, Performance Benchmark: Maximum working pressure up to 350 bar, providing exceptional power that exceeds conventional standards, ensuring stable and powerful operation under the most severe heavy-duty conditions.
Balance of Power and Precision Control: A nominal flow rate of 40 L/min ensures fast actuator response while maintaining system control accuracy and smooth operation—achieving both efficiency and superior handling.
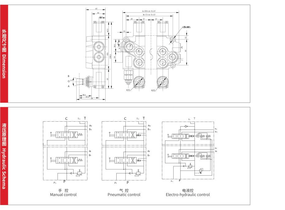
Flexible Configuration, Customizable: Supports modular combination of 1 to 8 work sections, allowing for tailored solutions based on the actual functional needs of the equipment, covering systems from simple to highly complex.
Global Adaptation, Consistently Reliable: Operating temperature range spans -40℃ to 80℃, with compatibility for a wide viscosity range of 12-400 cSt. It remains unfazed by extreme climates and harsh operating conditions, ensuring stable performance worldwide.
Robust, Durable, and Long-Lasting: The high-strength cast iron body provides excellent impact and vibration resistance. The integrated design significantly reduces potential leak points, markedly enhancing overall system reliability and lowering maintenance costs.
Features & Advantages
Redefining High-Pressure Performance
The DCV40 Series pushes the industry standard with a system pressure of 350 bar. Its internal core components are specially reinforced and optimized to effectively resist stress deformation and abnormal wear under high pressure. It provides a solid and reliable power foundation for ultra-high load applications such as breaking, heavy lifting, and deep-hole drilling, significantly expanding the operational capabilities of equipment.
Efficient Integration & Unlimited Possibilities
The unique 1-to-8-section modular design offers users unprecedented configuration flexibility. Whether controlling a single complex action or building a large hydraulic system with multiple cylinders and motors, the DCV40 can be easily adapted by adding or removing valve sections. This “building-block” concept greatly simplifies system design, installation, and maintenance, while perfectly accommodating future equipment upgrades.
A Precise and Coordinated “Hydraulic Conductor”
Delivering a stable 40 L/min flow even at 350 bar high pressure means equipment can not only be “immensely powerful” but also “perfectly controlled.” Whether it’s the compound, precise operations of construction machinery (like excavator grading or crane fine positioning) or the efficient, coordinated multi-mechanism actions of sanitation equipment (like synchronized compaction and unloading), the DCV40 ensures accurate, orderly, and harmonious movements of all actuators, improving overall work quality and efficiency.
Powering the Core of Professional Fields
The performance parameters of the DCV40 precisely meet the critical demands of several heavy equipment sectors:
Construction Machinery: Suitable for the working devices and pilot control systems of medium-to-large excavators, rotary drilling rigs, cranes, etc.
Sanitation Machinery: Meets the complex, high-pressure control requirements for multiple mechanisms in large garbage compactor trucks, snow removal vehicles, tunnel cleaning trucks, etc.
Drilling & Special Equipment: Provides a reliable core hydraulic control module for geological exploration drills, anchoring drills, and special-purpose work platforms.
Application Scenarios (Conceptual Description)
(This area is for application scenario images or descriptions)
Scenario 1: Medium Rotary Drilling Rig – The DCV40 valve bank serves as the main control unit, precisely coordinating high-pressure, high-flow actions like power head rotation, feed/lift, and outrigger leveling to ensure efficient and stable drilling operations.
Scenario 2: Large Garbage Transfer Vehicle – Integratively controls multiple high-pressure cylinders for compaction, body lifting, and rear-door sealing, enabling fully automated, high-pressure handling of the waste processing cycle.
Scenario 3: Multi-Purpose Engineering Chassis – Acts as the central controller of the hydraulic system, providing a stable, high-pressure power source and quick switching for various attachments (e.g., breaker, shear, grapple).
Quality Assurance & Service Support
The KYDAC Manufacturing Philosophy:
We firmly believe that exceptional performance stems from rigorous control over every detail. From selecting high-quality raw materials to precision casting, CNC machining, high-precision matching, and final pressure and performance testing, the entire production process for the DCV40 Series adheres to ISO quality management systems. Every valve shipped carries our commitment to reliability.
We Provide You With:
Professional Selection Support: Our experienced engineering team offers customized hydraulic system configuration advice.
Comprehensive Technical Documentation: Detailed product drawings, performance curves, and installation guides.
Reliable After-Sales Network: We have established an efficient after-sales service system to ensure you receive timely technical support and spare parts supply.
Take Action Now, Upgrade Your Hydraulic System
When your equipment faces the dual challenges of high-pressure, heavy loads and complex control, the KYDAC DCV40 Series Multi-Way Valve is your trustworthy solution. It is not merely a compilation of performance specs but a thoughtfully engineered masterpiece designed to help your equipment break through performance barriers and achieve more efficient, reliable operations.
Contact our sales engineers immediately to receive a customized DCV40 configuration plan and a highly competitive quotation!
Technical Specifications
